チョークコイルの磁気エネルギーについて、スイッチング電源を例にして、再度説明します。SRモータの動作説明に入る前の予備説明です。
スイッチング電源回路は、スイッチング素子がスイッチングすることによって、「一次側」より「二次側」エネルギー を伝達します。
代表的な回路方式にはリギングチョーク方式とトランス方式があります。
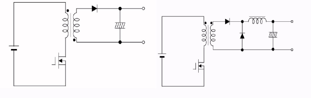
リギングチョーク方式
リギングチョーク方式のトランスはトランスとチョークの働きを兼ねており、ギャップがあり、電気エネルギーをスイッチング素子を介して磁気エネルギーに蓄えたのち、電気エネルギー再変換します。
蓄えた磁気エネルギーすべてを電気エネルギーに再変換でき、電源への回生はありません。
部品点数が少なく、最もシンプルな方式で、小容量の電源に多く使用されています。
機械出力を取り出すSRモータは「蓄えた磁気エネルギーすべて電気エネルギーに再変換できる」のでなく、機械出力は50%以下になります。(実際は30%以下と思います。)
機械出力出来なかった磁気エネルギーは電源への回生が必要です。
トランス方式(シングルフワォード、プッシュプル、ハーフブリッジ、フルブリッジ)
トランスを介して、「一次側」より「二次側」電圧を変換し二次側のチョークで電流リップルを平滑させている。このチョークは電流値を決めているのでなく、L値は出力に影響しない。
エネルギーの蓄積が不要なトランス方式は小容量から大容量の電源まで使用されています。

リギングチョーク方式 トランス方式