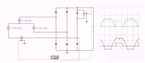
3相逆変換トランジスタブリッジ回路の制御方法を検討しています。 逆変換制御回路のFETオン期間は、順変換回路のダイオードオン期間と略同一なのを利用し、回路シュミレーターで検討しています。 順変換回路のシュミレーション シュミレーションより、制御…
引用をストックしました
引用するにはまずログインしてください
引用をストックできませんでした。再度お試しください
限定公開記事のため引用できません。