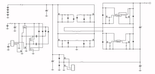
PHEV用コンバータ は、損失を低減するためFETによる同期全波整流回路を使用します。 市販のDC12V-AC100Vインバータの内蔵コンバータ(DC12V->DC150V)には、ダイオードによる全波整流回路が用いられています。 ダイオードのオン電圧は2素子で約2.4V になり…
引用をストックしました
引用するにはまずログインしてください
引用をストックできませんでした。再度お試しください
限定公開記事のため引用できません。