検討中のスマートEV用車載充電器を紹介します。
スマートEVは毎日の充電が必要なため、利便性が重要です。
設備としては、商用AC100V又はAC200Vコンセントのみを用意し、専用電源ケーブルを用いて充電します。
充電器は車に搭載するため、小型軽量化した専用設計が必要ですが、類似の市販充電器が多数販売されています。
昇圧コンバーターと充電器を共通の筐体に収納することを考えています。
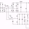
充電器仕様
入力:AC100V-240V 10A-4A 1KW
出力: 40A(0.2C) X 24V 960W
充電時間:5時間
参考:
市販充電器 例(ドローン用 同様の電源と出力)
