ポータブル電源のDC 5-20V to DC 12V 充電器に使用されている昇降圧コンバータの動作を調べました。
4スイッチの昇降圧コンバータが使用されていますが、4個のスイッチがすべて同時に動作するタイプでなく、昇圧動作と降圧動作を切り替えるタイプです。
入力電圧と出力電圧の差より、昇圧動作/降圧動作のいずれかを決定し実行しています。
動作波形例

いずれも連続モードの動作です。
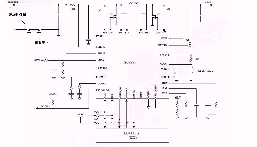
回路

Cukコンバータ、SEPICの様な昇降圧コンバータでなく、昇圧動作 降圧動作を切替るコンバータです。
USB-QC3.0 18 W 出力 に使用されている DC 12V to DC 5V 昇降圧コンバータは降圧モードの動作です。
