従来、直流電源で動作する機器には、コンデンサ・インプット型の整流平滑回路が用いられていましたが、高調波電流の問題がありました。
高調波電流規制が進み、整流平滑回路には、PFC回路(Power Factor Correction)を使用するのが一般になっています。
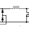
コンデンサ・インプット型の整流平滑回路は全波整流ブリッジと平滑電解コンデンサで構成され、AC入力電源電圧が平滑電解コンデンサの電圧より高いときのみピーク値の高い入力電流が流れます。
DC出力電圧は、AC入力電圧のピーク値電圧に近い電圧になります。

PFC回路は、コンデンサ・インプット型の整流平滑回路にチョークコイル、スイッチ素子、ダイオードを追加し、AC入力電源電圧が平滑電解コンデンサの電圧より低い時に、入力電流が流れる様にしたものです。
一般には、AC入力電源電圧がAC80V-AC242Vに対応出来るように、DC出力電圧は400Vに設定されます。
100V/200V、60Hz/50Hz兼用のDC400V出力の電源となります。
高調波規制のクラスCに対応できます。

スイッチ素子をオンさせると、dI/dt=AC入力電源電圧/チョークコイルのL値 に従い電流が上昇しながら流れ、スイッチ素子をオフさせると、dI/dt=(DC出力電圧-AC入力電源電圧)/チョークコイルのL値 に従い電流が下降しながらダイオードを介して平滑コンデンサーに流れます。
出力電圧が目標の400Vになると共に、入力電流が正弦波になるように、スイッチ素子するタイミング、及び期間を制御します。
AC入力側にはスイッチ素子のオンオフによるリップルを除くフィルターが必要となります。
高力率になることにより、入力電流が低下するため、コンデンサ・インプット型の整流平滑回路と同等以上の効率となります。
専用の制御ICを使用すれば、負荷変動にかかわらず、DC出力電圧は常に一定で、入力電流は正弦波になります。
各種の制御ICがあり、制御方法はIC毎に多少異なりますが、基本は同一です。
特殊な電流インバータ回路で、電流が決まり方の理解がポイントです。
電源投入時は従来のコンデンサ・インプット型の整流平滑回路と同様に突入電流が流れる問題があり、対策回路が必要です。
抵抗、パワーNTCサーミスタ、SCR+抵抗(PTCサーミスタ)+タイマー回路が用いられています。
規制がゆるい、クラスDに対応するには、コンデンサ・インプット型の整流平滑回路に低周波チョークを追加し電流のピーク値をおさえれば可能です。
家庭用エアコンでは以下のような倍電圧整流回路が用いられています。
